P8002汽車電子泵(13.5v/24v)
電壓: 24V
揚程:
噪音: ≤50dB(A)
調速方式:
IP等級: IP67
功能: 堵轉保護
介質溫度: -40-120℃
深鵬科技專注于為新能源車輛提供完整的熱管理解決方案,產品線覆蓋全功率段的各類電子冷卻水泵,集成水壺、電子水閥(3通閥、4通閥及多通閥),軸流風扇等,并對新能源車輛的核心組件如電池組、電機、空調系統、DC/DC轉換等提供精準的熱管理解決方案及仿真、計算等技術深度支持。
產品應用: | 產品特征: |
■汽車暖風空調循環 | ■重量:0.98kg |
■汽車中冷器水冷循環 | ■防護等級:IP67 |
■新能源汽車冷卻循環 | ■防護等級:H級 |
■電池冷卻和輔助加熱循環 | ■使用壽命:20000小時 |
■新能源熱管理系統 | ■進出水口外直徑:25mm |
|
|
使用條件: | 特點: |
■環境溫度:-40 ~ 125℃ | ■采用無刷電機、壽命長 |
■介質溫度:-40 ~ 120℃ | ■高揚程、噪音小 |
■介質:防凍液 | ■PWM調速、故障反饋功能 |
| ■使用場所:車載 |
|
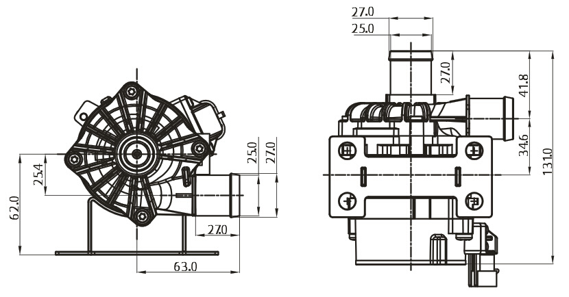
| 外觀尺寸: |
|
|
曲線圖: |
|
| 額定電壓 | 使用電壓范圍 | 額定電流 | 最大揚程 | 最大流量 | 額定功率 | 最大噪音 |
| V | V | A | m | L/min | W | dB(A) |
| 13.5 | 8-20 | 6 | 10 | 50 | 81 | ≤48 |
| 24 | 12-30 | 3.7 | 10 | 50 | 88 | ≤48 |
| 24 | 12-30 | 5 | 12 | 58 | 120 | ≤50 |




深鵬水泵-張先生
深鵬科技 - 張先生